流量變送器防雷器怎么接線,現場儀表防雷器怎么安裝
工控系統中現場儀表的防雷器使用是很多的,比如流量計變動器等各種儀表都會安裝模擬量信號防雷器、RS485防雷器、開關量信號防雷器、HART信號防雷器、電壓電流信號防雷器等等,這些防雷器或串聯或并聯安裝在儀表信號線及電源線中,為防止儀表被雷擊浪涌侵害起到了非常重要的作用!那么,流量變送器防雷器怎么接線,現場儀表防雷器怎么安裝呢?
要弄清這個問題,首先,我們得知道儀表信號防雷器的類型,再根據防雷器類型的不同來介紹相對的安裝接線形式。
目前流量變送器儀表主要分為以下兩種類型的防雷器:
1、串聯式儀表信號防雷器
串聯式儀表信號防雷器經常用于安裝在后端PLC控制機柜處,串聯安裝在信號線回路中,信號線的12接入防雷器的12端子內,不分正反。
防雷器接地只需要從輸入端的PE端子處引一根地線接入機柜接地排就可以了,地線采用2.5平方的黃綠地線。
防雷器固定方式為導軌式安裝,卡接在35mm導軌上,安裝非常簡單。
注意此類型防雷器是有區分輸入和輸出的,在安裝接線中防雷器的輸出得對著被保護的設備,而且距離不能太遠,如果裝在PLC柜這端,那信號防雷器的輸入就得對著PLC,不能對著儀表,因為防雷器距離儀表很遠,對著儀表不僅無法對儀表起到好的保護效果,還導致對PLC防雷也起到反作用,所以切記輸入輸出不要接反。
接線圖如下所示:
2、并聯防爆式信號防雷器(浪涌保護器)
并聯式防爆型儀表變送器信號防雷器主要用于現場儀表的防雷保護,這種現場安裝型防雷器的安裝接線是比較特殊的,它不像常規的工控類信號串聯接在信號線中,也沒有接線的端子。
根據上圖大家可以看到這種信號防雷器是帶螺紋接口的,所以這種現場儀表型浪涌保護器主要安裝接線也和螺紋有關。
先要確認好防雷器的螺紋和現場儀表的螺紋是匹配的,然后將防雷器并入儀表的備用接口,再把防雷器的線路接入儀表的接線端子就可以了。
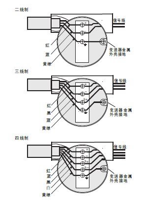
這種防雷器有2線、3線、4線的區別,根據不同的線制接入不同的信號系統即可。
接線圖如下:
總結:以上就是流量變送器等現場儀表信號防雷器的安裝接線介紹,主要根據安裝形式串聯和并聯的不同做區分,大家可以參考一下,還有不明白的,可以咨詢廣東中為智能防雷技術有限公司。
廣東中為防雷 http://www.zycl.net/knowledge/1228251.html 轉載需授權!
廣東中為智能防雷技術有限公司
